氮化镓快充进入200W时代!大功率充电方案揭秘!
随着硅基氮化镓成本的下探,65W氮化镓快充已成为众多手机的入门级标配。氮化镓技术的普及,使得原本臃肿的充电器变得更轻便小巧,在输出功率和产品的系统效率方面均有不小的提升。
65W对于一般的手机、平板、办公笔记本而言可以轻松应对,但对于追求极致画面、高性能数据处理的游戏笔记本而言,百瓦以下的快充已经无法满足实际应用的需求,传统的电源适配器又略显笨重。鉴于氮化镓充电器的高效性和紧凑性,不少厂商陆续推出了适用于游戏笔记本的高功率氮化镓充电器设计方案。
英诺赛科PFC+LLC 200W氮化镓快充方案
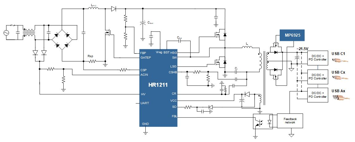
此前,英诺赛科推出了一款200W的氮化镓快充Demo,该设计采用的是PFC+LLC的系统架构,是在基于英诺赛科氮化硅功率开关管的基础上,搭配MPS的HR1211二合一数字主控芯片和MP6924同步整流芯片实现的。

HR1211是一款多模的PFC和电流模式LLC数字组合型控制器,通过UART端口可根据实际功能需求,对控制器进行灵活的配置,提升系统稳定性与响应速度。
HR1211在应用中会根据实际系统电流的变化,判断出当前的负载状态,并做出CCM与DCM工作模式的切换。当系统处于重载状态时,PFC会自动进入CCM模式,随着负载的提升,开关频率也会随之提高,反之负载降低时,系统开关频率也会随之下降。当负载降低至一定值时PFC会自动切换进入DCM模式,LLC级也会自动进入调频模式或突发模式,以此降低开关频率和开关损耗,保持系统的高效性。
该设计在PFC电路部分,采用了英诺赛科自家的650V增强型氮化镓功率晶体管INN650D260A和泰科天润的碳化硅二极管G3S06505R,通过氮化镓与碳化硅高频、低导通电阻的特性,进而提高充电器的功率密度和转换效率。
同时,LLC级还具有自适应死区时间追踪和调节的能力,进而确保ZVS 操作在任何条件下死区时间最小,避免桥臂的直通产生不必要的额外损耗。这些特性对与提高充电器效率和功率密度起到了至关重要的作用。

上图为HR1211在100W的电源应用中输出电压为20V时,系统效率随负载升高的变化曲线。在高压线路应用中,系统转换效率最高可达93%左右,平均效率为89%;在低压线路应用中,系统转换效率最高为92%,平均效率为88.6%。值得一提的是,HR1211在空载模式下功率损耗 <100mW。
目前,HR1211多与MP692XX系列芯片主要是在100W以上的大功率充电器中搭配使用,并且已有多款产品量产并进入市场。在英诺赛科的200W氮化镓充电器设计方案中,采用了MP6924作为同步整流IC。

由于本设计的输出电压较低,为此英诺赛科在本方案中采用了MP6924负责对同步整流电路进行控制,并与两颗安森美低导通电阻的N沟道MOSFET NTMFS5C628NL构成同步整流电路。
之所以使用MOSFET而不是使用二极管,是因为单个二极管在导通时会降低系统电路中0.7V~1V的电压,并降低效率。举个例子,假设在输出电压为20V的电路中,降低1V的电压就相当于降低了5%的系统效率,而使用MOSFET由于导通电阻低的原因,并不会对最终效率产生过大的影响。
据英诺赛科表示,该方案在90Vac低压输入模式下,系统满载效率最高可达94%。在230Va输入模式下,系统满载效率最高可达96.4%。
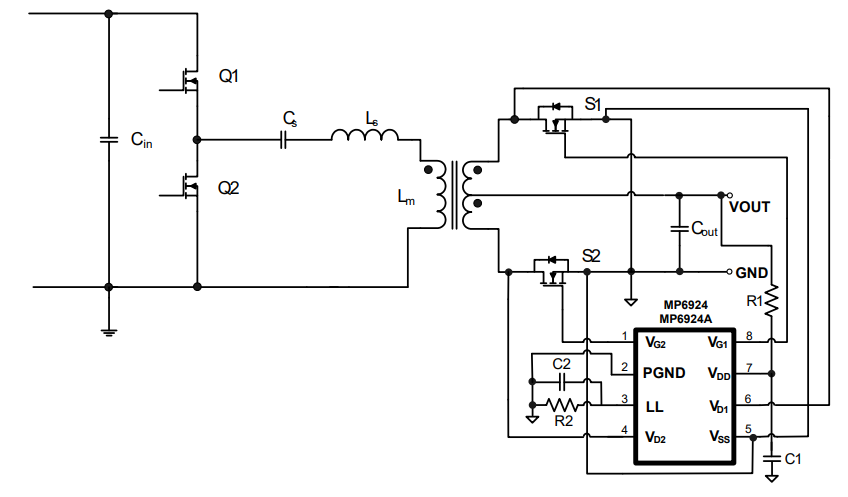
1月5日,GaN Systems推出了体积小50%,重量减轻40%的250W氮化镓充电器设计方案,该方案采用了两级式的功率调节系统Boost PFC+半桥LLC。

上图为GaN Systems 250W充电器设计的Demo和电路拓扑图,分别在PFC和LLC部分使用了自家的650V GS-065- 0112-L氮化镓晶体管,但具体的控制器型号尚未公布。
PFC部分主要负责将电网输出的交流电压提升至400V的总线直流电压。据悉,GaN Systems在该部分采用数字型PFC控制器,支持CCM和DCM工作模式切换,降低了不必要的电能损耗。
通过Demo与电路拓扑图可以看出,GaN Systems在PFC部分使用了两个并联的650V GS-065- 0112-L氮化镓晶体管,以及一颗碳化硅的开关二极管。通过二者高频,且反向恢复电流近乎为零的电气特性,进一步保证了系统的高效性。
LLC部分主要负责将400V的直流电压降低至19V输出。据悉,该设计中采用的LLC转换器在谐振模式下可提供更高的效率,同时还能为MOSFET提供正弦电压或正弦电流,并在接近于正弦电压或电流的过零点处开关,以此大幅降低MOSFET的功耗。
该LLC控制器采用的是电流控制模式,通过将转换器的占空比设置为0.5,实现调节电压的输出。同样在LLC电路中也采用了两颗650V GS-065- 0112-L氮化镓晶体管,以此获得更高的开关频率,并增加功率密度。

上图为该方案重要参数,支持90V~264V的交流宽压输入,输出功率最高可达250W 19V/13.2A。在满载的情况下,系统效率能够保持在95%以上。在待机状态下,系统功耗低于150mW。

通过紧凑的布局和氮化镓、碳化硅开关管的加持,以及超薄的设计,最终成品(带壳)大小为171mm*68mm*22mm,与两台叠放在一起的iPhone 13 Pro Max规格大小相近,和同等输出功率的充电器相比尺寸减少了50%,功率密度也达到了16W/in3。

(a)115Vac (b)230Vac 图源:GaN Systems
上图为250W充电器在25℃环境温度下连续运行一小时的热成像图,当充电器输入115V交流电压时,正反面的平均温度为75.8℃。当输入230V交流电压时,正反面的平均温度为70.3℃,扣除室温整体温升在45℃至50℃之间。
目前市面上的65W氮化镓快充,在满载的工作状态下,单口的充电器温度一般会在70摄氏度左右,多口的充电器通常会超过70摄氏度,甚至达到80℃~90℃。因此该充电器的工作温度并不算高,且远低于国家对充电器表面最高温度95℃的标准。
结语
如今笔记本电脑已成为生产力工具的代表,高效轻薄的大功率充电器已成为我们的刚需,随着氮化镓成本低的下探以及充电技术的发展,相信在不久的将来会有更多的方案推出,并进入市场,以此满足用户的需求。
图文源自http://www.elecfans.com/d/1786553.html 作者:李诚
转载已获作者授权
